2020. 12. 8. 21:45ใ์ ๊ณต ๊ณผ๋ชฉ/์ปดํจํฐ ๊ตฌ์กฐ
์ปดํจํฐ ๊ตฌ์กฐ - ๋ฒ์ค ์ค์ฌ
CPU, ์ฃผ๊ธฐ์ต์ฅ์น, ๋ชจ๋ํฐ, ํค๋ณด๋, ํ๋ฆฐํฐ, ์บ์์ ์๋์ ์ ๋ถ "์์คํ ๋ฒ์ค"๋ฅผ ํตํด์ ์๋์ด ๋๋ค.
์ด ์์คํ ๋ฒ์ค์ ์ข ๋ฅ์๋ 3๊ฐ์ง(๋ฐ์ดํฐ ๋ฒ์ค, ์ฃผ์ ๋ฒ์ค, ์ ์ด ๋ฒ์ค)๊ฐ ์กด์ฌํ๋ค.
๊ทธ๋ฆฌ๊ณ ์์คํ ๋ฒ์ค์ ์ ์๋๋ ์์๋ค ์ค์์ ์ด๋ฌํ ๋ฒ์ค ์ฌ์ฉ์ ์ฃผ์ฒด๊ฐ ๋๋ ์์๋ค์ "๋ฒ์ค ๋ง์คํฐ"๋ผ๊ณ ๋ถ๋ฅธ๋ค.
๋ฒ์ค ๋ง์คํฐ๋ค์ ํ ์๊ฐ์ ํ ๊ฐ์ ๋ฒ์ค ๋ง์คํฐ๋ง ์์คํ ๋ฒ์ค๋ฅผ ์ด์ฉํ ์ ์๊ธฐ ๋๋ฌธ์ ์ฐ๋ฆฌ๋ "๋ฒ์ค ์ค์ฌ"๋ฅผ ํด์ฃผ์ด์ผ ํ๋ค.
์ค๋ ๋ฐฐ์๋ณผ ๋ด์ฉ์ ๋ฒ์ค ์ค์ฌ์ด๋ค.
๋ฒ์ค ์ค์ฌ
- ๋ ๊ฐ ์ด์์ ๋ฒ์ค ๋ง์คํฐ๋ค์ด ๋์์ ๋ฒ์ค ์ฌ์ฉ์ ์์ฒญํ ๊ฒฝ์ฐ์ ์์๋ฅผ ๊ฒฐ์ ํด์ฃผ๋ ์์คํ ๋์.
๋ฒ์ค๋ฅผ ์ค์ฌํ๊ธฐ ์ํด์๋ 3๊ฐ์ง ์ ์ด ์ ํธ๊ฐ ํ์ํ๋ค. (๋ฒ์ค ์๊ตฌ ์ ํธ, ๋ฒ์ค ์น์ธ ์ ํธ, ๋ฒ์ค ์ฌ์ฉ์ค ์ ํธ).
๊ทธ๋ ๋ค๋ฉด ์์คํ ๋ฒ์ค์์ ๋ฐ์ดํฐ๋ฅผ ์ ์กํ๋ ๋ฐฉ๋ฒ์ ์ด๋ค ๊ฒ์ด ์์๊น?
์ข ๋ฅ๋ ๋ ๊ฐ์ง์ด๋ค. ์ฝ๊ธฐ๋์์ ์์๋ก ๋ ๊ฐ์ง ๋ฒ์ค๋ฅผ ์ค๋ช ํ๊ณ ์ ํ๋ค.
1) ๋๊ธฐ์ ๋ฒ์ค
-> ๊ณตํต์ ๋ฒ์ค ํด๋ก์ ๊ธฐ์ค์ผ๋ก ๊ฒฐ์ ๋๋ ๋ฒ์ค
->
1)CPU๊ฐ ์ฃผ์์ ์ฝ๊ธฐ ์ ์ด ์ ํธ๋ฅผ ๋ณด๋ธ๋ค. -> ์ด๋ ๋ฒ์ค ๋์์ ์์์ ์๋ฆฌ๋ ์ ํธ๊ฐ ํจ๊ป ๋ณด๋ด์ง๋ค. ->
2) ๊ธฐ์ต์ฅ์น์์ ๋ฐ์ดํฐ ์ธ์ถ ๋์์ด ์ผ์ด๋๋ฉฐ ->
3) ๊ธฐ์ต์ฅ์น๊ฐ ์ธ์ถ๋ ๋ฐ์ดํฐ๋ฅผ ๋ฒ์ค๋ฅผ ํตํ์ฌ CPU๋ก ์ ์กํ๋ค.
4) ๊ธฐ์ต์ฅ์น๋ ์ ์ก ํ์ธ ์ ํธ๋ฅผ ๋ณด๋ด๊ณ , ์ข ๋ฃํ๋ค.
๋๊ธฐ์ ๋ฒ์ค๋ ๊ณตํต์ ๋ฒ์ค ํด๋ก์ ์ค์ฌ์ผ๋ก ํ๊ธฐ์ ์ธํฐํ์ด์ค ํ๋ก๊ฐ ๊ฐ๋จํ๋ค.
ํ์ง๋ง ๊ณตํต์ ํด๋ก์ด ๊ฐ์ฅ ์๊ฐ์ด ๊ธด ํด๋ก์ผ๋ก ๋ง์ถฐ์ ธ ์๊ธฐ ๋๋ฌธ์ ์งง์ ์๊ฐ์ด ๊ฑธ๋ฆฌ๋ ๋์์ ํด๋ก์ด ๊ธฐ๋ค๋ ค์ผ ํ๋ค๋ ๋จ์ ์ด ์๋ค.
2) ๋น๋๊ธฐ์ ๋ฒ์ค
-> ๋ฒ์ค ๋์์ ๋ฐ์ ์ฌ๋ถ์ ๋ฐ๋ผ ๊ฒฐ์ ๋๋ ๋ฒ์ค
->
1) CPU๊ฐ ์ฃผ์์ ์ฝ๊ธฐ ์ ์ด ์ ํธ๋ฅผ ๋ณด๋ธ๋ค->
2) ์ฃผ์์ ์ ์ด ์ ํธ๊ฐ ๋ณด๋ด์ก์์ ์๋ฆฌ๋ MSYN ์ ํธ๋ฅผ ๋ณด๋ด๊ณ , ๋ฐ์ดํฐ๋ฅผ ์ธ์ถํ๊ณ ๋ฒ์ค์ ์ฃ๋๋ค.
3) ๊ทธ ์ดํ SSYN ์ ํธ๋ฅผ ๋ณด๋์ผ๋ก์จ ์๋ตํ๊ฒ ๋๋ค.
4) CPU๋ SSYN ์ ํธ๋ฅผ ๋ฐ์๋ค์ธ ์ฆ์ MSYN ์ ํธ๋ฅผ ์ ๊ฑฐํ๊ณ ์ข ๋ฃ๋๋ค.
๋ณธ๋ก ์ผ๋ก ๋ค์ด๊ฐ๋ณด์.
์ด๋ฒ์ฅ์์ ํ์ตํ ๋ด์ฉ์ ๋ฒ์ค ์ค์ฌ์ ๋ฐฉ์๋ค์ด๋ค.
๋ช๊ฐ์ง ํค์๋๋ค์ ํ์ตํ์.
๋ฒ์ค ์ค์ฌ๊ธฐ : ๋ฒ์ค ์ค์ฌ ๊ธฐ๋ฅ์ ์ํํ๋ ํ๋์จ์ด ๋ชจ๋
๋ฒ์ค ๊ฒฝํฉ : ๋ ๊ฐ ์ด์์ ๋ฒ์ค ๋ง์คํฐ๊ฐ ๋์์ ๋ฒ์ค ์ฌ์ฉ์ ์ํด ๊ฒฝ์ํ๋ ์ํฉ.
์ค์์ง์ค์ ์ค์ฌ ๋ฐฉ์ : ๋ฒ์ค ์ค์ฌ๊ธฐ๊ฐ ํ ๊ฐ๋ง ์กด์ฌํ๋ฉฐ. ๋ชจ๋ ์ค์ฌ ๊ธฐ๋ฅ์ ์ด ์ค์ฌ๊ธฐ์ ์ํด ์ด๋ฃจ์ด์ง๋ค.
๋ถ์ฐ์ ์ค์ฌ ๋ฐฉ์ : ์ฌ๋ฌ ๊ฐ์ ๋ฒ์ค ์ค์ฌ๊ธฐ๋ค์ด ์กด์ฌํ๋ค.
์ฐ๋ฆฌ๋ ์ค์์ง์ค์๊ณผ ๋ถ์ฐ์์ ์ง๋ ฌ ๋ณ๋ ฌ๊ณผ ๊ฒฐํฉํ์ฌ ํ์ตํ ๊ฒ์ด๋ค.
1. ๋ณ๋ ฌ ์ค์ฌ ๋ฐฉ์
1.1 ) ์ค์ ์ง์ค์ ๊ณ ์ - ์ฐ์ ์์ ๋ฐฉ์

๋ฒ์ค ์ค์ฌ๊ธฐ๊ฐ ํ๋์ด๋ฉฐ ์ฐ์ ์์๊ฐ ๋ณํํ์ง ์๋ ๋ฐฉ์์ด๋ค. ์ด ๋ฐฉ์์์๋ ๊ฐ ๋ฒ์ค ๋ง์คํฐ๊ฐ ๋ฒ์ค ์๊ตฌ ์ ์ ๊ฐ์ง๊ณ ์๊ณ ์ด๋ค์ ๋ชจ๋ ํ๋์ ๋ฒ์ค ์ค์ฌ๊ธฐ๋ก ์ ์์ด ๋๋ค. ์ฌ๋ฌ ๊ฐ์ ๋ฒ์ค ์๊ตฌ ์ ํธ๋ฅผ ๋ฐ์ ํ ์ฐ์ ์์๊ฐ ๊ฐ์ฅ ๋์ ๋ฒ์ค ๋ง์คํฐ์๊ฒ BNGT ์ ํธ๋ฅผ ์ธํธํด์ค๋ค. ๊ทธ ํ BBUSY ์ ํธ๊ฐ ์ธํธ๋๋ฉด์ ์ด ์ ํธ๊ฐ ํด์ ๋ ๋ ์น์ธ๋ ์ ํธ๊ฐ ์ธํธ๋๋ ๊ตฌ์กฐ์ด๋ค.
ํต์ฌ์ ๊ฐ ๋ง์คํฐ์ ๋ํ BGNT ์ ํธ๋ ๋ ๋์ ์ฐ์ ์์๋ฅผ ๊ฐ์ง ๋ง์คํฐ๊ฐ ๋ฒ์ค ์๊ตฌ๋ฅผ ๋ฐ์ํ์ง ์์ ์ํ์์ BREQ๋ฅผ 1๋ก ์ธํธํ์ ๋๋ง ํ์ฑํ ๋ ์ ์๋ ๊ฒ์ด๋ค.
1.2) ๋ถ์ฐ์ ๊ณ ์ -์ฐ์ ์์ ๋ฐฉ์

๋ชจ๋ ๋ฒ์ค ๋ง์คํฐ๋ค์ด ์ค์ฌ๊ธฐ๋ฅผ ํ ๊ฐ์ฉ ๊ฐ๊ณ ์๋ค.
์ด ๋ฐฉ์๋ ๋ง์ฐฌ๊ฐ์ง๋ก ์ฐ์ ์์๊ฐ ๋์ ๋ง์คํฐ๊ฐ BREQ๋ฅผ ๋ณด๋ธ ์ํ์ผ ๋ ์ฐ์ ์์๊ฐ ์๋์ ์ผ๋ก ๋ฎ์ ๋ง์คํฐ๋ BGNT์ ํธ๋ฅผ ์ธํธํ ์ ์๋ค๋ ์ ์ด๋ค.
๋ถ์ฐ์ ๊ณ ์ -์ฐ์ ์์ ์ค์ฌ๋ฐฉ์์ ์ค์์ง์ค์์ ๋นํด์ ์ค์ฌ ํ๋ก๊ฐ ๊ฐ๋จํ๋ฉฐ ๋์ ์๋๊ฐ ๋น ๋ฅด๋ค.
ํ์ง๋ง ๊ณ ์ฅ์ ์ผ์ผํจ ์ค์ฌ๊ธฐ๋ฅผ ์ฐพ์๋ด๋ ๋ฐฉ๋ฒ์ด ์ด๋ ต๊ณ , ํ๋์ ๊ณ ์ฅ์ด ์ ์ฒด ์์คํ ๋์์ ์ํฅ์ ๋ผ์น ์ ์๋ค๋ ๋จ์ ์ ๊ฐ์ง๊ณ ์๋ค.
1.3) ๊ฐ๋ณ ์ฐ์ ์์ ๋ฐฉ์
- ์ด ๋ฐฉ์์ ๋ฒ์ค ์ค์ฌ๊ธฐ๊ฐ ์์คํ ์ ์ํ์ ๋ฐ๋ผ ๊ฐ ๋ฒ์ค ๋ง์คํฐ๋ค์ ์ฐ์ ์์๋ฅผ ๊ณ์ ๋ฐ๊พธ์ด์ฃผ๋ ๋ฐฉ์์ด๋ค. ์ด ๋ฐฉ์์ ์ฐ์ ์์๊ฐ ๋ฎ์ ๊ฒ์ ์ฌ์ฉ์ด ์๋๋ ๊ธฐ๊ทผ ํ์์ ๋ฐฉ์งํ๊ธฐ ์ํ ๋ฐฉ์์ด๋ค.
๊ฐ๋ณ ์ฐ์ ์์ ๋ฐฉ์์ ์๋ก ํ์ ์ฐ์ ์์ ๋ฐฉ์์ด ์๋ค.

๋ฒ์ค ์ฌ์ฉ ์น์ธ์ ๋ฐ์ ๋ง์คํฐ๋ ์ตํ์ ์ฐ์ ์์๋ฅผ ๊ฐ์ง๋ฉฐ ๋ฐ๋ก ๋ค์์ ์์นํ ๋ง์คํฐ๊ฐ ์ต์์ ์ฐ์ ์์๋ฅผ ๊ฐ์ง๋๋ก ํ๋ ๋ฐฉ๋ฒ์ด๋ค. ์ด๋ฅผ "acceptance-dependent์ ํ์ ์ฐ์ ์์ ๋ฐฉ์"์ด๋ผ๊ณ ํ๋ค.
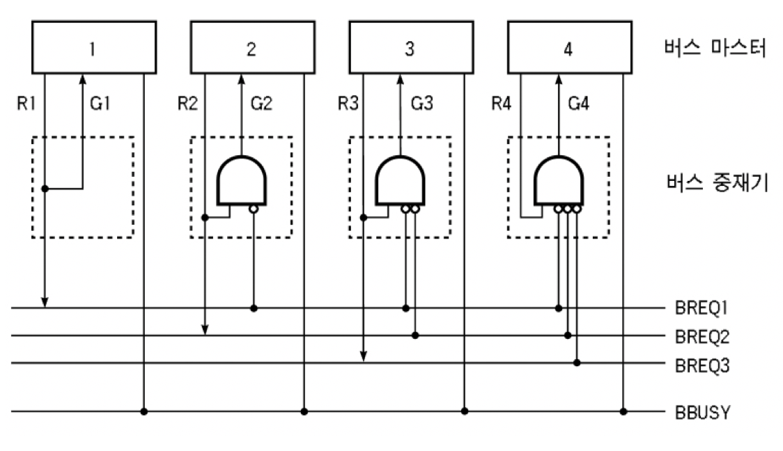
2. ์ง๋ ฌ ์ค์ฌ ๋ฐฉ์
2.1) ์ค์์ง์ค์ ์ง๋ ฌ ์ค์ฌ ๋ฐฉ์

๋ชจ๋ ๋ฒ์ค ๋ง์คํฐ๋ค์ด ์ง๋ ฌ๋ก ์ฐ๊ฒฐ๋์ด "๋ฐ์ด์ง ์ฒด์ธ"ํํ๋ฅผ ์ด๋ฃฌ๋ค. ๋์ฒด๋ก ๋ฒ์ค ์ค์ฌ๊ธฐ์ ๊ฐ๊น์ธ ์๋ก ์ฐ์ ์์๊ฐ ๋์ ๊ฒ์ผ๋ก ์ค์ ๋๋ค.
๊ตฌ์กฐ๋ ํญ์ ์ฒซ๋ฒ์งธ ๋ง์คํฐ๊ฐ ์น์ธ์ ํธ๋ฅผ ๋จผ์ ๋ฐ๊ธฐ ๋๋ฌธ์ ์ฒซ๋ฒ์งธ ๋ง์คํฐ๊ฐ ์๊ตฌ ์ ํธ๋ฅผ ๋ณด๋๋์ง ํ์ธํด์ผ ํ๋ ๊ตฌ์กฐ์ด๋ค. ์ด๋ ์๊ตฌ ์ ํธ๋ฅผ ๋ณด๋์ผ๋ฉด 1๋ฒ์ ํตํด BBUSY๋ฅผ ์ธํธ์์ผ์ฃผ๊ณ , ์๊ตฌํ์ง ์์๋ค๋ฉด ๋ค์ ๋ฒ์ค๋ง์คํฐ๋ก ์น์ธ์ ํธ๋ฅผ ๋๊ฒจ์ค๋ค.
์ค์ํ ๊ฒ์
1) BBUSY ์ ํธ๊ฐ ํด์ ๋ ๋๊น์ง ๋ฒ์ค ๋ง์คํฐ๋ค์ด ์๊ตฌ ์ ํธ๋ฅผ ๋ณด๋ด์ง ์๋๋ก ํ๋ ๊ฒ์ด๋,
2) ๋ฒ์ค ์๊ตฌ ์ ํธ๋ ํญ์ ๋ฐ์์ํฌ ์ ์์ง๋ง, ์น์ธ ์ ํธ๋ฅผ ๋ฐ์ ํ์๋ BBUSY ์ ํธ๊ฐ ํด์ ๋ ๋๊น์ง๋ ๋ฒ์ค๋ฅผ ์ฌ์ฉํ ์ ์๊ฒ ํ๋ ๊ฒ ๋ ์ค ํ๋๋ฅผ ๊ณจ๋ผ์ผ ํ๋ ๊ฒ์ด๋ค.
์ฒซ๋ฒ์งธ ๋ฐฉ๋ฒ์ ๋ฒ์ค ๋ง์คํฐ๊ฐ ์น์ธ ์ ํธ๋ฅผ ๋ฐ๋ ์ฆ์ ๋ฒ์ค ์ฌ์ฉ์ ์์ํ ์ ์์ง๋ง ๋ ๋ฒ์งธ ๊ฒฝ์ฐ๋ ์น์ธ์ ๋ฐ๊ณ ๋ ์๋ฃํ ๋๊น์ง ๊ธฐ๋ค๋ ค์ผ ํ๋ค.
2.2) ๋ถ์ฐ์ ์ง๋ ฌ ์ค์ฌ ๋ฐฉ์

์ด๋ ๋ฐ์ด์ง-์ฒด์ธ ๋ฒ์ค ์น์ธ ์ ํธ๋ค์ด ์ ๊ทธ๋ฆผ๊ณผ ๊ฐ์ด ์ํํ์ผ๋ก ์ ์๋ ํํ์ด๋ค.
์ค์ ์ง์ค์์ ๋ฒ์ค ๋ง์คํฐ๋ค์ด ์ง๋ ฌ๋ก, ๋ถ์ฐ์์ ๋ฒ์ค ์ค์ฌ๊ธฐ๋ค๋ ์ง๋ ฌ๋ก ๋์ด์๋ ๊ฒ์ ๋ณผ ์ ์๋ค.
์ด ๋ฐฉ์์ ์ฅ์ ์ ๋ง์คํฐ์ ์ฐ์ ์์๊ฐ ๊ณ์ ๋ณํ๋ค๋ ๊ฒ์ด๋ค. ๋จ์ ์ ๋ถ์ฐ์์ด๋ฏ๋ก ํ ์ง์ ์ ๊ฒฐํจ์ด ์๊ธฐ๋ฉด ์ ์ฒด์ ์ผ๋ก ๋ฌธ์ ๊ฐ ์๊ธธ ์ ์๋ค๋ ์ ์ด๋ค.
3. ํด๋ง ๋ฐฉ์
-๋ฒ์ค ์ค์ฌ๊ธฐ๊ฐ ๊ฐ ๋ง์คํฐ๋ค์ด ๋ฒ์ค ์ฌ์ฉ์ ์ํ๋์ง ์ฃผ๊ธฐ์ ์ผ๋ก ๊ฒ์ฌํ์ฌ ๋ฒ์ค ์น์ธ ์ฌ๋ถ๋ฅผ ๊ฒฐ์ ํ๋ ๋ฐฉ์.
- ํด๋ง ์์์ ์ค์ฌ ๋์์ด ๋ชจ๋ ์ค์ฌ๊ธฐ์ ๋ด๋ถ์ ์๋ค.
3.1) ํ๋์จ์ด ํด๋ง ๋ฐฉ์

ํด๋ง ๋ฐฉ์์๋ ๊ฐ ๋ง์คํฐ๋ค์๊ฒ ์ฐ๊ฒฐ๋ ํด๋ง ์ ๋ค์ด ์กด์ฌํ๋๋ฐ ์ด๋ค์ ์ผ๋์ผ ๋์์ผ๋ก ๊ฐ์๊ฐ ํ์ํ๋ค. ํ์ง๋ง 2์ง ์ฝ๋ํ๋ ํด๋ง ์ฃผ์๋ฅผ ์ฌ์ฉํ๋ฉด log2์ N๊ฐ๋ก ์ค์ผ ์ ์๋ค.
1) ์ค์ฌ๊ธฐ๊ฐ ํด๋ง ์ฃผ์๋ฅผ ๋ฐ์ํด ๊ฒ์ฌํ ๋ง์คํฐ ์ง์ ํ๊ณ , ๊ทธ ๋ง์คํฐ๊ฐ ๋ฒ์ค ์ฌ์ฉ์ ์ํ๋์ง ๋ฌป๋๋ค.
2) ์ง์ ๋ ๋ง์คํฐ๊ฐ ๋ฒ์ค ์ฌ์ฉ์ ์ํ๋ฉด BREQ ์ ํธ ์ธํธ
3) BREQ ์ ํธ๊ฐ ์ธํธ๋๋ฉด, ์ค์ฌ๊ธฐ๋ ํ์ฌ ๊ฒ์ฌ ์ค์ธ ๋ง์คํฐ์๊ฒ ๋ฒ์ค ์ฌ์ฉ์ ํ๊ฐํ๋ค.
๊ฒ์ฌํ ๋ง์คํฐ์ ๋ฒํธ๋ฅผ ์ง์ ํ๋ ๋ฉ์ปค๋์ฆ์ 2์ง ์นด์ดํฐ๋ฅผ ์ด์ฉํ์ฌ ๊ตฌํํ๋ค.
3.2) ์ํํธ์จ์ด ํด๋ง ๋ฐฉ์
- ํ๋์จ์ด ํด๋ง ๋ฐฉ์๊ณผ ๋น์ทํ์ง๋ง, ์ค์ฌ๊ธฐ์ ํ๋ก๊ทธ๋จ์ ์คํํ ์ ์๋ ํ๋ก์ธ์๊ฐ ํฌํจ๋์ด ์์ด ์ง๋ฅ์ ๊ฐ์ง๊ณ ์๋ค๋ ์ ์ด ์ฐจ์ด์ ์ด๋ค.
์ฆ ํ๋์จ์ด๊ฐ ์๋ ํ๋ก์ธ์์ ์ํด ์กฐ์ ๋๋ ๋ฐฉ์์ด๋ค. ์ด๋ ์ตํต์ฑ์ด ๋ ๋๋ค๋ ์ฅ์ ์ด ์๋ค. ๊ฒฐํจ์ ๋์ฒํ๋ ๋ฅ๋ ฅ๋ ๋ฐ์ด๋๋ฉฐ ๋ค์์ ํด๋งํ ๋ง์คํฐ์ ์ฃผ์๋ฅผ ๊ธฐ์ตํ ์ ์๋ ๋ฐ์ด๋ ์ ์ด ์์ง๋ง, ์ค์ฌ์ ์์๋๋ ์๊ฐ์ด ๋น๊ต์ ๊ธธ๋ค๋ ์ฅ์ ์ด ์๋ค.
'์ ๊ณต ๊ณผ๋ชฉ > ์ปดํจํฐ ๊ตฌ์กฐ' ์นดํ ๊ณ ๋ฆฌ์ ๋ค๋ฅธ ๊ธ
| ์ปดํจํฐ ๊ตฌ์กฐ - ๋ ผ๋ฆฌ์ฐ์ฐ (1) | 2020.10.06 |
|---|---|
| ์ปดํจํฐ ๊ตฌ์กฐ - ์ฃผ์ (0) | 2020.09.29 |
| ์ปดํจํฐ ๊ตฌ์กฐ - ๋ช ๋ น์ด (0) | 2020.09.29 |
| ์ปดํจํฐ ๊ตฌ์กฐ - ์๋ธ๋ฃจํด (0) | 2020.09.21 |
| ์ปดํจํฐ ๊ตฌ์กฐ - ๋ฉํฐ-์ฝ์ด (2) | 2020.09.21 |